Low Power Comparator
SGM8708 SGM8708.pdf

No.10828

FEATURES

● Low Power Consumption: 2.2μA (TYP) at VS = 1.8V

● Wide Supply Voltage Range: 1.8V to 5.5V

● Push-Pull Output Current Drive: 18mA (TYP) at VS = 5V

● Rail-to-Rail Input

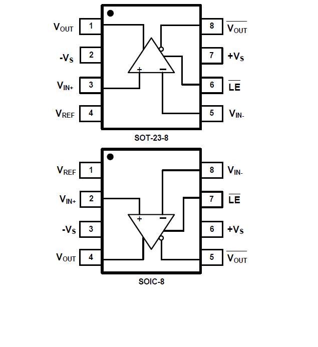
● VOUT and VOUT Dual Outputs

● Latch Function Included

● Integrated 1.2V Voltage Reference

● -40℃ to +85℃ Operating Temperature Range

● Available in Green SOT-23-8 and SOIC-8 Packages

DESCRIPTION

The SGM8708 is a low power comparator with a typical power supply current of 2.2μA. It features an uncommitted on-chip voltage reference, comparator input common mode range of 200mV beyond the supply rails, and single-supply operation from 1.8V to 5.5V. The integrated 1.2V series voltage reference offers low 42μV/℃ drift, is stable with up to 10nF capacitive load, and can source up to 2mA (TYP) of output current. Designed to operate over a wide range of supply voltages, from 1.8V to 5.5V, with guaranteed operation at 1.8V and 5.0V, the SGM8708 is ideal for use in a variety of battery-powered applications. With rail-to-rail input common mode voltage range, the SGM8708 is well suited for single-supply operation. Its small packages make this device ideal for use in handheld electronics and mobile phone applications.

Featuring a push-pull output stage and having a latch enable input (LE ), the SGM8708 allows for operation with absolute minimum power consumption when driving any capacitive or resistive load.

APPLICATION CIRCUIT
PIN CONFIGUTION
网站地图