No.10827
● Ultra Low Power Consumption: 300nA (TYP) at VS = 1.4V
● Wide Supply Voltage Range: 1.4V to 5.5V
● Propagation Delay: 6μs (TYP) at VS = 1.4V
● Push-Pull Output Current Drive: 19mA (TYP) at VS = 5V
● Rail-to-Rail Input
● -40℃ to +85℃ Operating Temperature Range
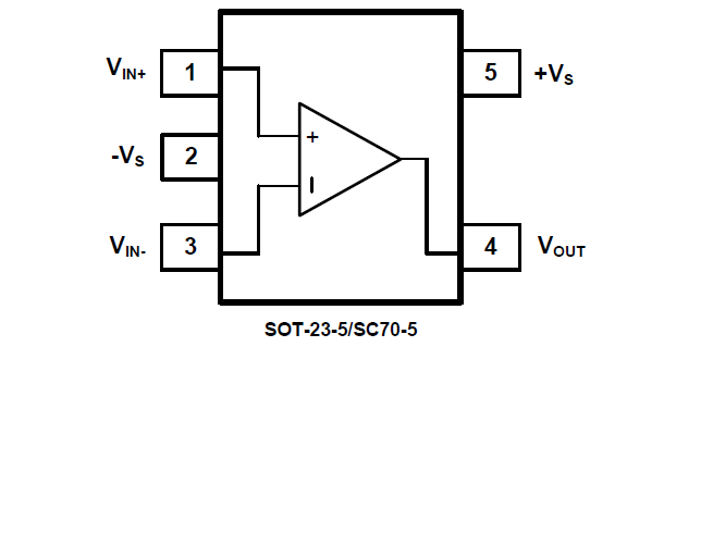
● Available in Green SOT-23-5 and SC70-5 Packages
The SGM8707 is an ultra low power comparator with a typical power supply current of 300nA. It has the best-in-class power supply current versus propagation delay performance. The propagation delay is as low as 6μs with 100mV overdrive at 1.4V supply. Designed to operate over a wide range of supply voltages, from 1.4V to 5.5V, with guaranteed operation at 1.4V, 2.5V and 5.0V, the SGM8707 is ideal for use in a variety of battery-powered applications. With rail-to-rail common mode voltage range, the SGM8707 is well suited for single-supply operation. Its small packages make this device ideal for use in handheld electronics and mobile phone applications.
Featuring a push-pull output stage, the SGM8707 allows for operation with absolute minimum power consumption when driving any capacitive or resistive load.









