No.10787
The SGM8745 is a dual high-speed comparator optimized for systems powered from a 3V or 5V supply. The device features high-speed response, low-power
consumption, and rail-to-rail input range. Propagation delay is 6ns, while supply current is only 2.6mA. The input common mode range of the SGM8745 extends
beyond both power supply rails. The outputs pull to within 0.1V of either supply rail without external pull-up circuitry, making the device ideal for interface with both CMOS and TTL logics. All input and output pins can tolerate a continuous short-circuit fault condition to either rail. Internal hysteresis ensures clean output switching, even with slow-moving input signals.
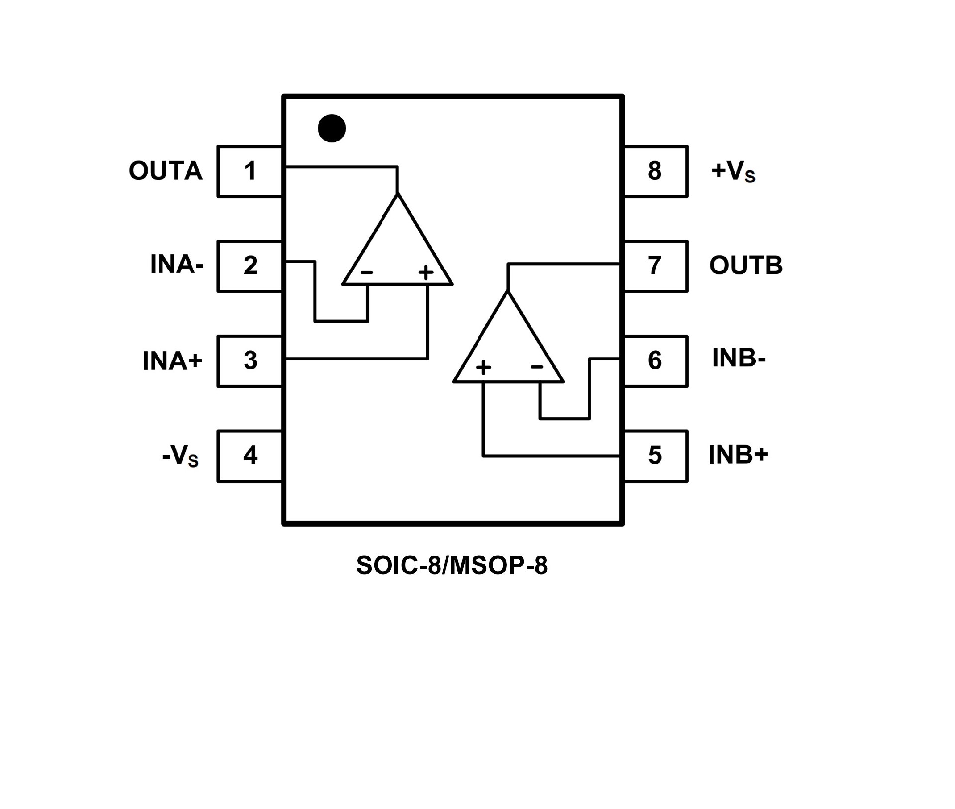
The SGM8745 is available in Green SOIC-8 and MSOP-8 packages. It is rated over the -40℃ to +85℃ temperature range.









