No.10726
? Input Voltage Range: 2.7V to 16V
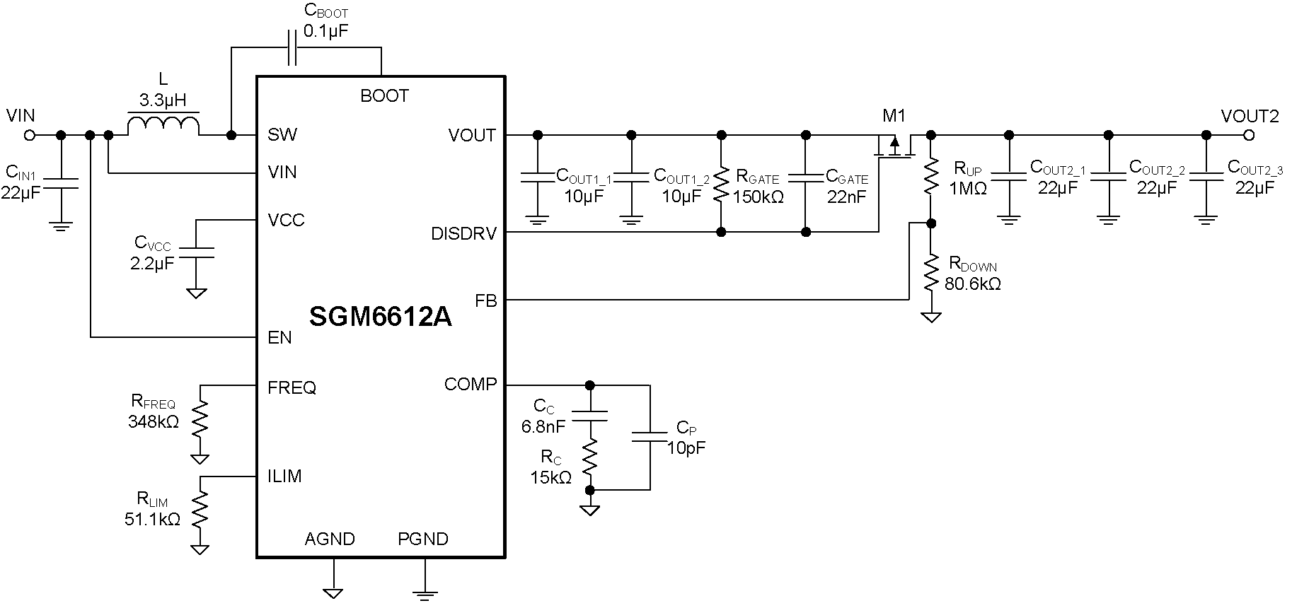
The SGM6612A is a 20V synchronous boost converter with the gate driver built-in for load disconnect. The device integrates a 15mΩ low-side power switch and a 15mΩ high-side power switch, and provides a high efficiency and small size power solution for portable equipment.
The SGM6612A uses peak current control topology with fixed frequency to regulate the output voltage. In moderate to heavy load condition, the SGM6612A works in the PWM (pulse width modulation) mode. In light load condition, the SGM6612A enters into the auto PFM (pulse frequency modulation) mode to improve the efficiency.
The SGM6612A provides a gate driver for external MOSFET to disconnect the output from input side during shutdown or output short condition. When the output is shorted and the short protection is triggered, the device enters into the hiccup mode for safety. In addition, the device also provides output over-voltage protection, inductor current limit protection and thermal shutdown protection









