Automotive Low Voltage 16-Bit I2Cand SMBus Low-Power I/O Expander.
SGM4591Q
SGM4591Q.pdf
No.14146
FEATURES
? AEC-Q100 Qualified for Automotive Applications
Device Temperature Grade 1
TA = -40℃ to +125℃
? 1.65V to 5.5V Input Voltage Range
? Parallel I2C I/O Expander
? 5V Tolerant Input and Output Ports
? Active Low Reset Input
? Active Low Interrupt Output
? Support 400kHz I2C Fast Mode
? Internal Power-on Reset
? No Glitch on Power-up
? Polarity Inversion Register
? Compatible with Most Processors
? Select Device Address by Two Pins (up to Four
Devices)
? Latched Outputs Drive LEDs Directly
? Latch-up Performance (>100mA) to Meet JESD
78 Class II Standard
? -40℃ to +125℃ Operating Temperature Range
? Available in a Green TSSOP-24 Package
DESCRIPTION
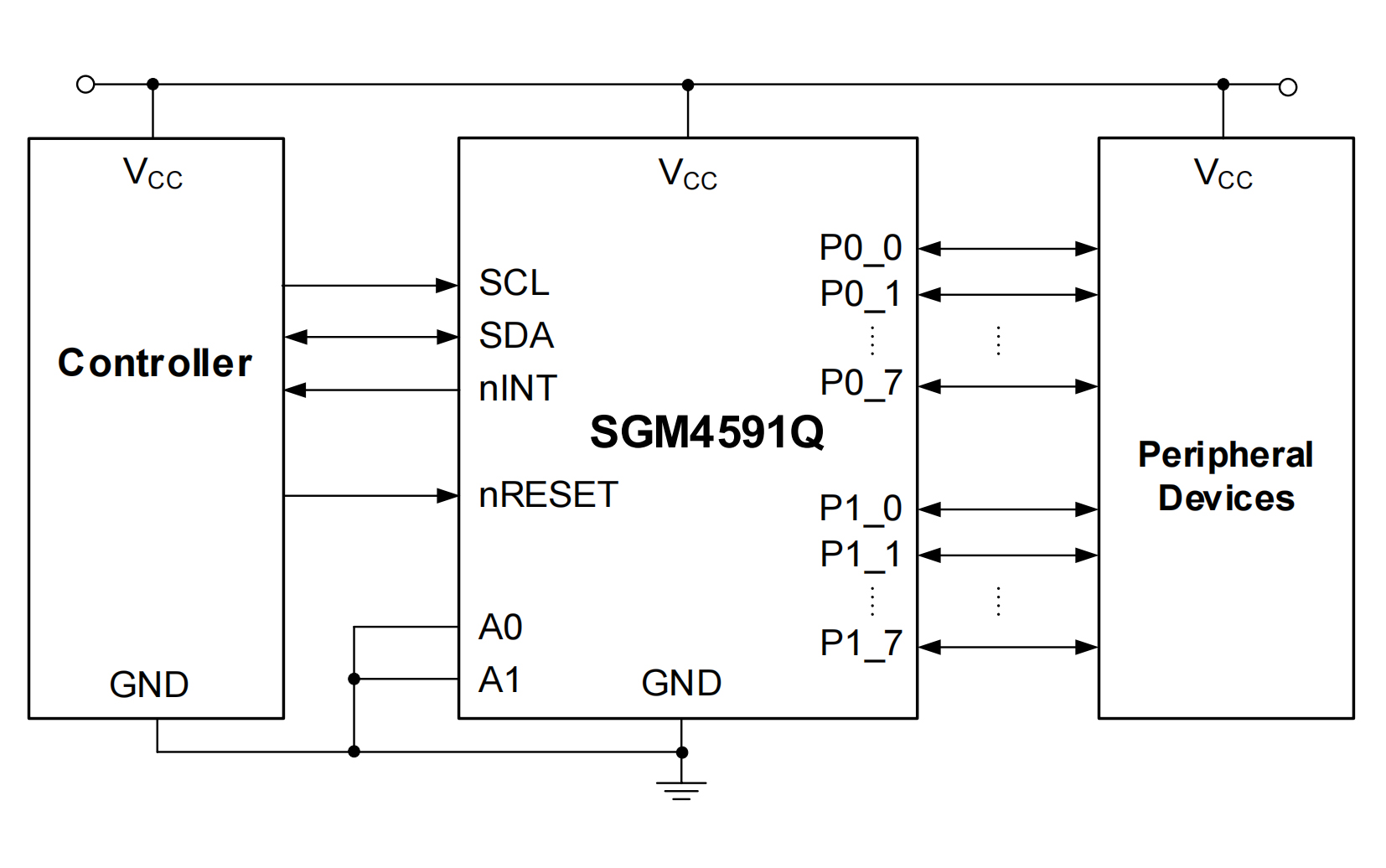
The SGM4591Q is a general-purpose parallel input and output (I/O) expander device, which consists of two lanes and 8 bits parallel I/O expansion. The device communicates with processor through two-line bidirectional I2C bus (or SMBus), supporting I2C standard mode (100kHz) and I2C fast mode (400kHz) clock frequency. The SGM4591Q provides a simple solution for the devices that need additional I/Os, such as LEDs, buttons, sensors, etc.
The SGM4591Q is specified for automotive applications, which may select device address by the A0 and A1 pins. The SGM4591Q features an interrupt generated on the nINT whenever the state of input port changes. An output anomaly may also be indicated by the nINT pin when the corresponding nINT port register is set to 1. The SGM4591Q can cycle the power supply and cause a power-on reset to reset itself to the default state. In addition, the device can use a hardware nRESET pin to reset itself to the default state.
The device is AEC-Q100 qualified (Automotive Electronics Council (AEC) standard Q100 Grade 1) and it is suitable for automotive applications.
The SGM4591Q is available in a Green TSSOP-24 package and supports -40℃ to +125℃ temperature range.
APPLICATION CIRCUIT
PIN CONFIGUTION









