Automotive 3V to 17V, 1A Synchronous Buck Converter with AHP-COT Control.
SGM61111Q
SGM61111Q.pdf
No.14083
FEATURES
? AEC-Q100 Qualified for Automotive Applications
Device Temperature Grade 1
TA = -40℃ to +125℃
? AHP-COT Control
? 3V to 17V Input Voltage Range
? Support 1A Output Current
? 0.9V to 5.5V Adjustable Output Voltage
? Fixed Output Voltage Version: 3.3V
? Internal Compensation
? 170?s (TYP) Soft-Start Time
? Pre-biased Function during Soft Startup
? Power-Save Mode with Seamless Transition
? 22μA (TYP) Quiescent Current
? Power-Good Output
? 100% Duty Cycle Mode
? Under-Voltage Lockout (UVLO)
? Thermal Shutdown Protection
? Short-Circuit Protection
? Over-Temperature Protection
? Available in a Green TDFN-2×2-8AL Package
DESCRIPTION
The SGM61111Q is a high-frequency, synchronous Buck converter optimized for simple and quick application to high density designs. High output voltage accuracy and fast transient response along with small LC output filter elements are easily achievable with the 2.1MHz (TYP) switching frequency and the AHP-COT control.
The 3V to 17V input voltage range makes this device a suitable choice for both 12V input power rails and the battery powered applications including Li-Ion batteries. It supports 100% duty cycle operation and can provide 1A continuous current to its adjustable or fixed output voltage versions. The enable input (EN) and power good output (PG) pins provide power sequencing capability.
In power-save mode (PSM), the VIN quiescent current is reduced to 22μA (TYP). Operation mode is seamlessly changed between PWM and PSM to keep the efficiency high in entire load range. Mode changing is automatically decided based on the load current at the DCM/CCM changeover level.
In the shutdown mode, the device is completely turned off and the current consumption drops to 1.2μA (TYP). The device is AEC-Q100 qualified (Automotive Electronics Council (AEC) standard Q100 Grade 1) and it is suitable for automotive applications.
SGM61111Q is available in a Green TDFN-2×2-8AL package.
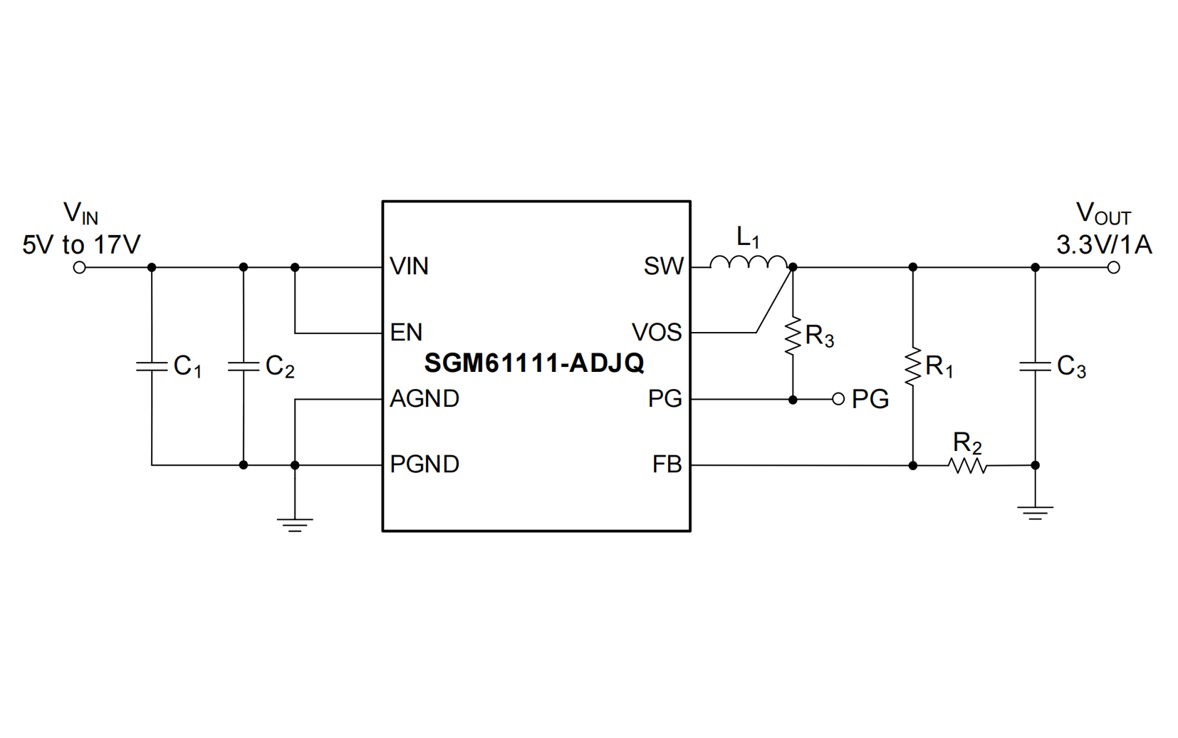
APPLICATION CIRCUIT
PIN CONFIGUTION









