Tiny Package, 15MHz, Ultra Low RON, Dual SPDT
SGM3005 SGM3005.pdf

No.11170

FEATURES

● Low Voltage Operation: 1.8V to 5.5V

● Low On-Resistance: 0.5Ω (TYP)

● Low On-Resistance Flatness

● -3dB Bandwidth: 15MHz

● Fast Switching Times

   tON 50ns

   tOFF 15ns

● Rail-to-Rail Operation

● Typical Power Consumption (< 0.01μW)

● TTL/CMOS Compatible

● Microsize Packages

DESCRIPTION

The SGM3005 is a dual, low on-resistance, low voltage, bidirectional, single-pole/double-throw (SPDT) CMOS analog switch designed to operate from a single 1.8V to 5.5V power supply. Targeted applications include battery powered equipment that benefit from low RON (0.5Ω) and fast switching speeds (tON = 50ns, tOFF = 15ns).

The on-resistance profile is very flat over the full analog signal range. This ensures excellent linearity and low distortion when switching audio signals.

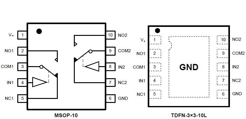
The SGM3005 is a committed dual single-pole/ double-throw (SPDT) that consist of two normally open (NO) and two normally close (NC) switches. This configuration can be used as a dual 2-to-1 multiplexer.

The SGM3005 is available in Green TDFN-3×3-10L and MSOP-10 packages.

APPLICATION CIRCUIT
PIN CONFIGUTION
网站地图