400MHz, Negative Signal Passing, Single SPDT
SGM3719 SGM3719.pdf

No.11156

FEATURES

 Supply Range: +2.5V to +5.0V

 Negative Signal Swing Capability: -2.0V to V+

 On-Resistance: 4Ω (TYP) at +5.0V

 High Bandwidth: 400MHz

 Fast Switching Times

   tON = 15ns (TYP)

   tOFF = 11ns (TYP)

 High Off-Isolation: -49dB at 10MHz

 1.8V Logic Control

 Break-Before-Make Switching

 Extended Industrial Temperature Range: -40℃ to +85℃

 Small Package Available in Green SOT-23-6 Package

DESCRIPTION

The SGM3719 is a bidirectional, single-pole/double-throw (SPDT) CMOS analog switch designed to operate from a single +2.5V to +5.0V supply. It features high bandwidth (400MHz) and low on-resistance (4Ω TYP), and the switches can handle negative signal down to -2.0V.

The SGM3719 features a guaranteed on-resistance matching of 0.1Ω (TYP) between switches and a guaranteed on-resistance flatness of 1Ω (TYP) over the signal range. This ensures excellent linearity and low distortion when switching audio signals.

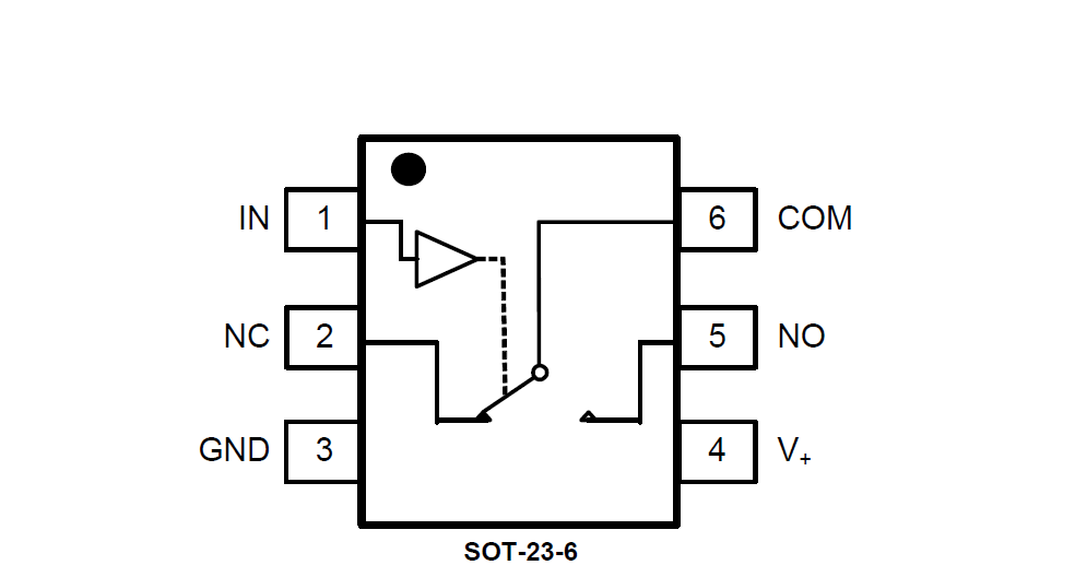
The SGM3719 is a committed single-pole/double-throw (SPDT) switch that consists of one normally open (NO) and one normally closed (NC) switches. This configuration can be used as a 2-to-1 multiplexer.

APPLICATION CIRCUIT
PIN CONFIGUTION
网站地图