High Speed, 2-1:3 Multiplexer
SGM7232 SGM7232.pdf

No.11060

FEATURES

 Low Distortion High Speed Analog Switches

 Power OFF Protection

 Short Protection between COM+/COM- and VCC

 Crosstalk (100kHz): -90dB

 Off-Isolation (100kHz): -90dB

 Single Supply Operation: 2.7V to 4.3V

 Internal 5MΩ Pull-Down Resistors at C0, C1 Pins

● Available in Green UTQFN-2.2×1.4-12L Package

DESCRIPTION

The SGM7232 is a differential 3:1 analog multiplexer switch which operates from a single supply in the range of 2.7V to 4.3V. It can be used to multiplex between general signals and high-speed differential data signals.

The SGM7232 is available in Green UTQFN-2.2×1.4-12L package. It operates over a temperature range of -40°C to +85°C.

APPLICATION CIRCUIT
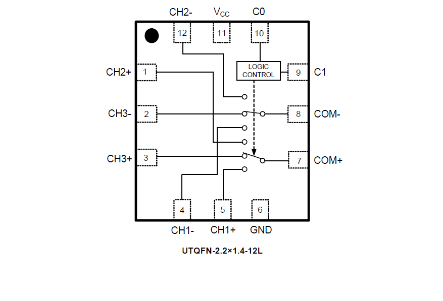
PIN CONFIGUTION
网站地图