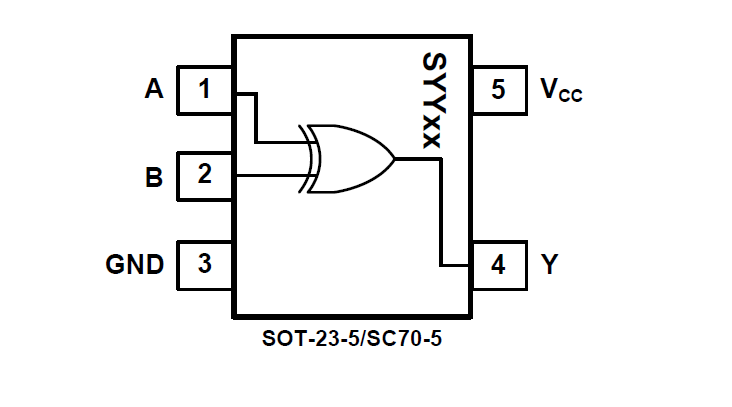
Single 2-Input Exclusive-OR Gate
SGM7SZ86 SGM7SZ86.pdf

No.11035

FEATURES

 Ultra-High Speed: tPD = 4.2ns (TYP) into 50pF at VCC = 3.3V

 High Output Drive: ±24mA at VCC = 3V

 Broad VCC Operating Range: 1.65V to 5.5V

 Matches Performance of LCX Operated at VCC = 3.3V

 Power Down High-Impedance Inputs/Output

 Over-Voltage Tolerance Inputs Facilitate 5V to 3V Translation

 Available in Green SOT-23-5 and SC70-5 Packages

DESCRIPTION

The SGM7SZ86 is a single two-input exclusive-OR gate from SGMICRO's Small Logic series. The device is fabricated with advanced CMOS technology to achieve ultra-high speed with high output drive while maintaining low static power dissipation over a broad VCC operating range. The device is specified to operate over the 1.65V to 5.5V VCC operating range. The inputs and output are high impedance when VCC is 0V. Inputs tolerate voltages up to 6V, independent of VCC operating voltage.

The SGM7SZ86 is available in Green SOT-23-5 and SC70-5 packages. It operates over an ambient temperature range of -40℃ to +85℃.

APPLICATION CIRCUIT
PIN CONFIGUTION
网站地图