Octal Bus Transceivers with 3-State Outputs
SGM7SZ245 SGM7SZ245.pdf

No.11034

FEATURES

● Wide Operating Voltage Range: 1.8V to 5.0V

● High-Current 3-State Outputs Drive Bus Lines Directly 

   or Up to 15 LSTTL Loads

● Low Power Consumption, ICC: 13μA (MAX)

● Typical tPD = 8.9ns at 5.0V

● ±20mA Output Drive at 5.0V

● Low Input Current: ±8μA (MAX)

● Available in Green TSSOP-20, TQFN-5.5×3.5-24L and 

   TQFN-3×3-20L Packages

DESCRIPTION

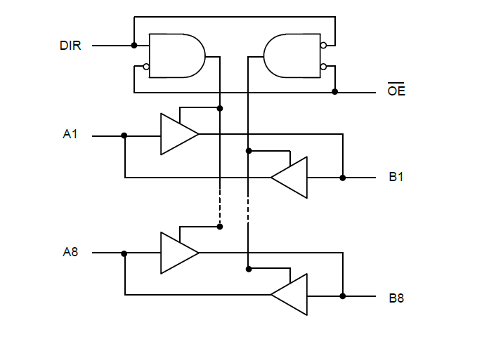
These octal bus transceivers are designed for asynchronous two-way communication between data buses. The control-function implementation minimizes external timing requirements.

The device allows data transmission from the A bus to the B bus or from the B bus to the A bus, depending on the logic level at the direction-control (DIR) input. The output-enable (OE) input can be used to disable the device so that the buses are effectively isolated.

The SGM7SZ245 is available in Green TSSOP-20, TQFN-5.5×3.5-24L and TQFN-3×3-20L packages. It operates over an ambient temperature range of -40℃ to +125℃.

APPLICATION CIRCUIT
PIN CONFIGUTION
网站地图