1.5MHz Step-Up DC-DC Converter.
AP3012
AP3012.pdf
No.13521
FEATURES
? High Efficiency up to 81%
? Adjustable Output Voltage up to 29V
? Shutdown Current 1?A Typical
? 1.5MHz Switching Frequency
? 36V 500mA Rugged Integrated Bipolar Switch
? Built-in Soft-start to Reduce Inrush Current During Start-up
? On-chip Overvoltage Protection
? Uses Low ESR Ceramic Output Capacitor
? Uses Small Inductor
DESCRIPTION
The AP3012 is a high power, constant frequency, current mode PWM, inductor based, step-up (boost) converter. The converter operates at high frequency (1.5MHz) so that a small, low profile inductor can beused.
The AP3012 has built-in overvoltage protection (OVP) to allow the device goes into shutdown mode when the output voltage exceeds the OVP threshold of 29V.
The AP3012 is available in standard SOT-23-5 package.
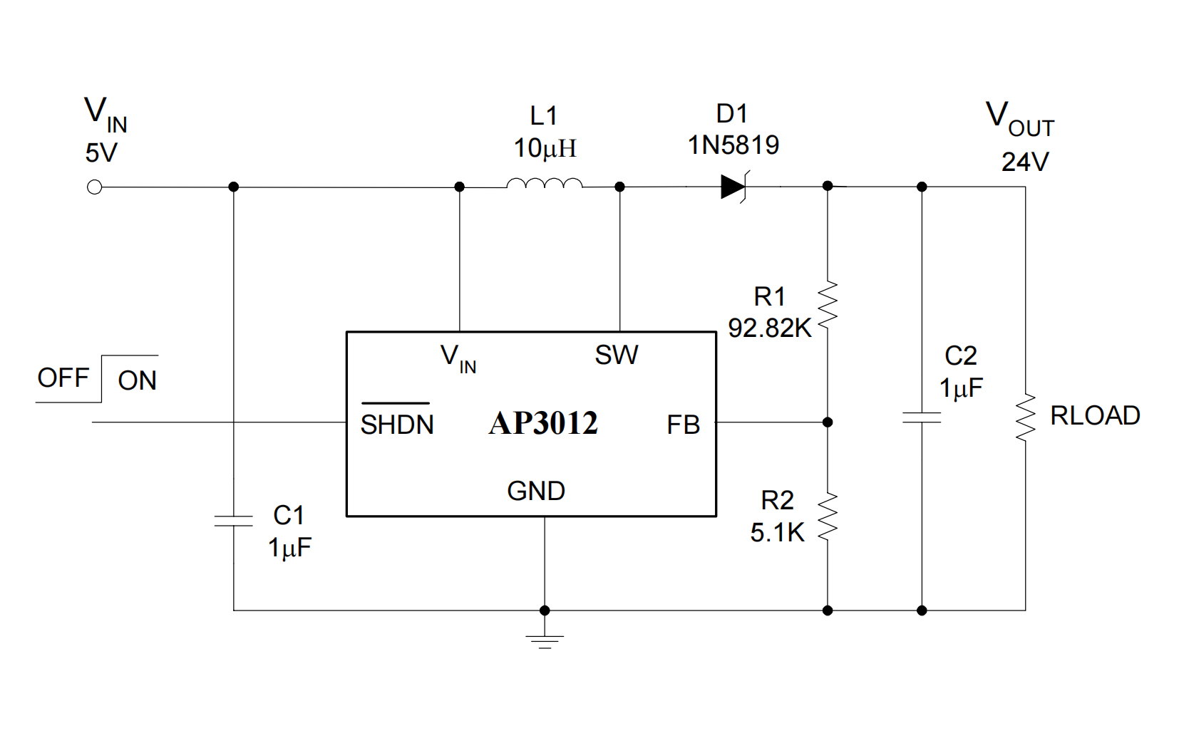
APPLICATION CIRCUIT
PIN CONFIGUTION









