Boost WLED Driver with 38V OVP.
ACP2766 ACP2766.pdf

No.13131

FEATURES

2.7V to 5.5V Input Voltage Range

200mV Reference Feedback Voltage

1.2MHz Fixed Frequency

Internal 38V Open LED Protection

Integrated 40V,1.5A MOSFET

10~100KHz PWM Dimming Control Range

Internal Soft Start

Under-Voltage Protection

Over Thermal Shutdown

Low EMI and Improved PSRR

TSOT26 Package Available

DESCRIPTION

The ACP2766 is a step-up DC-DC converter which

operating as current source to drive white LEDs. The

light intensity of LEDs is proportional to the current

passing through them. The default white LEDs current is

set with the external resistor, and the feedback voltage

reference is set to 200mV. During the operation, the

LED current can be pulsed by adding a PWM signal to

the chip, through which the duty cycle changes the

feedback reference voltage. With fixed frequency of

1.2MHz, ACP2766 is allowed using tiny inductor and

capacitors to minimize the footprint. For maximum

protection, the chip features open LED protection

function that can disable the chip to prevent the output

voltage from exceeding voltage rating during open LED

conditions.

APPLICATION CIRCUIT
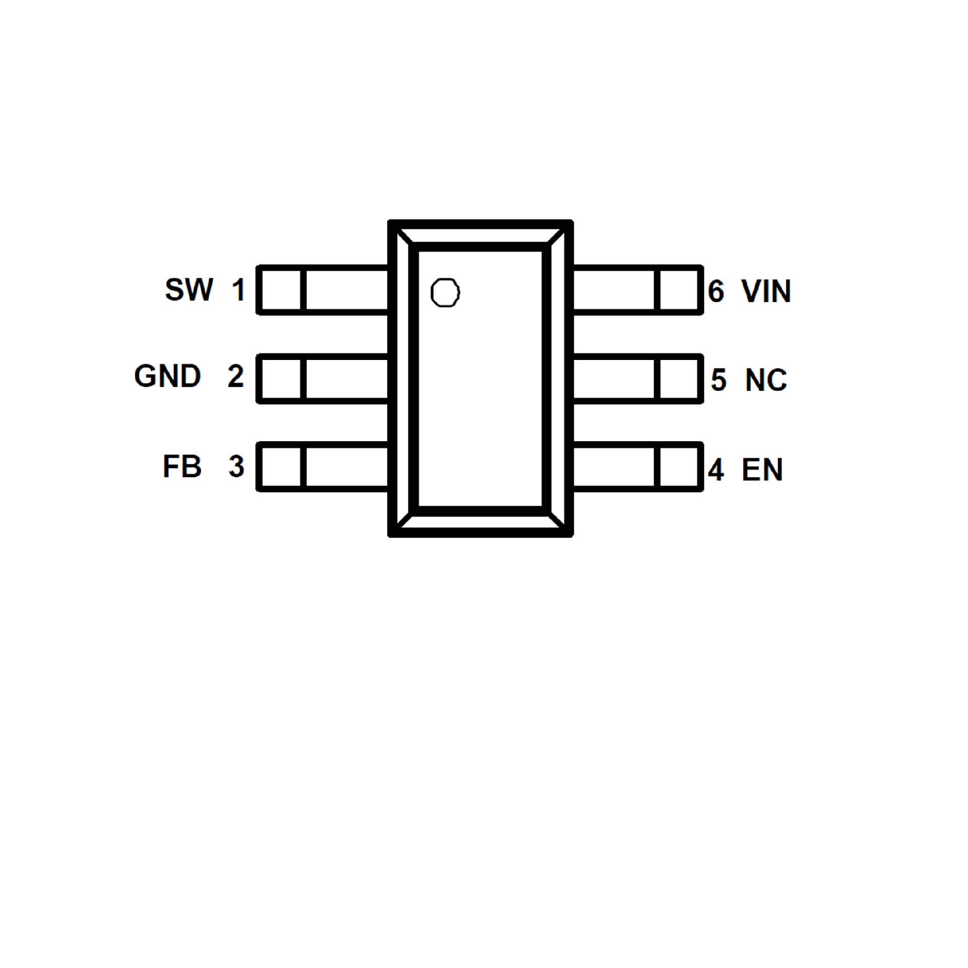
PIN CONFIGUTION
网站地图