No.12807
? Wide Input Range: 3.8V-40V
? Up to 3.5A Continuous Output Current
? 0.8V ±1% Feedback Reference Voltage
? Integrated 80mΩ High-Side and 50mΩ Low-Side
Power MOSFETs
? Pulse Skipping Mode PSM with 25uA Quiescent
Current in Sleep Mode
? Fixed Frequency 570kHz
? 100ns Minimum On-time
? 2ms Internal Soft-start Time
? Frequency Spread Spectrum FSS Modulation for
EMI Reduction
? Precision Enable Threshold for Programmable
UVLO Threshold and Hysteresis
? Low Dropout Mode Operation
? Derivable Inverting Voltage Regulator
? Over-voltage and Over Temperature Protection
? Available in an ESOP-8 Package
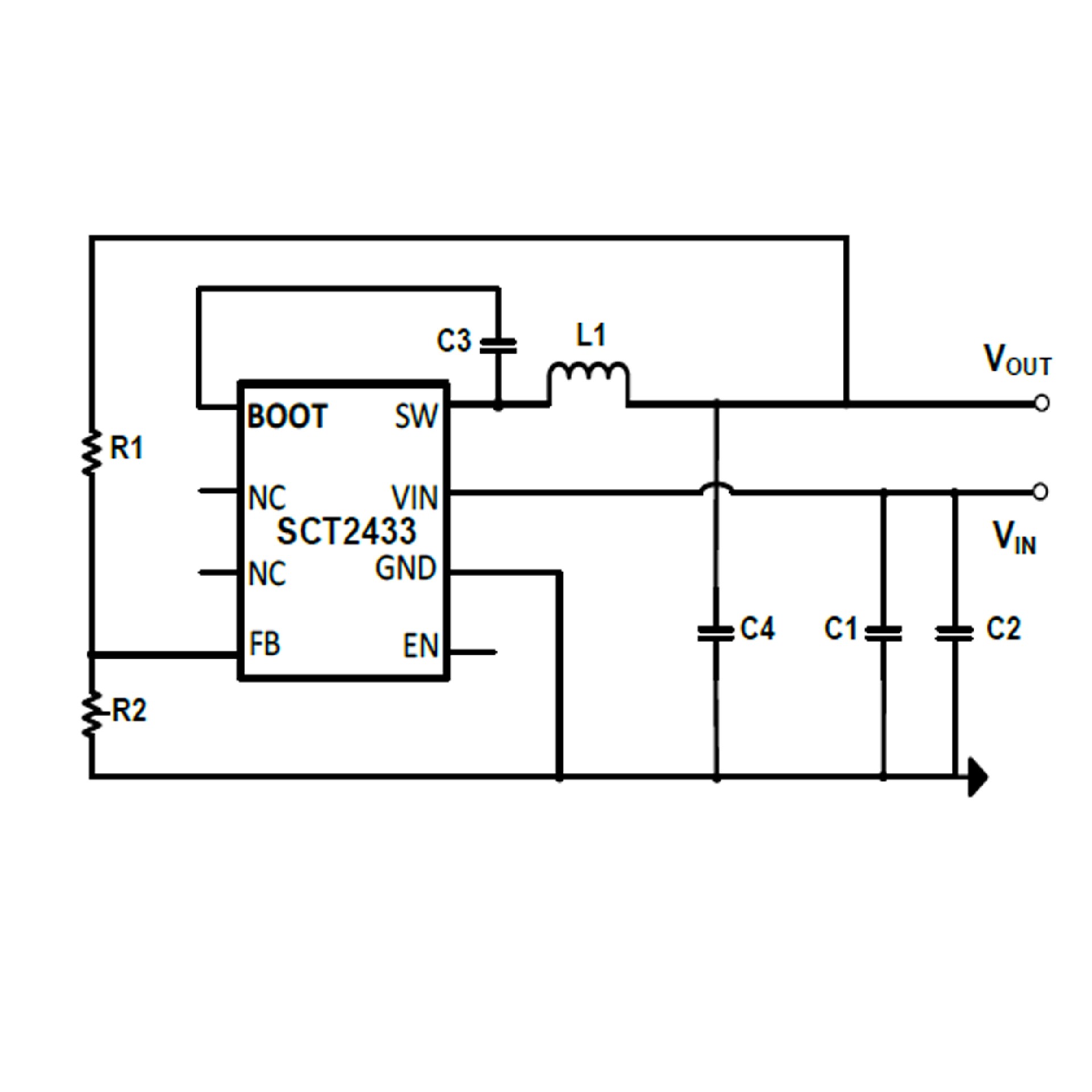
The SCT2433 is 3.5A synchronous buck converters with wide input voltage, ranging from 3.8V to 40V, which integrates an 80mΩ high-side MOSFET and a 50mΩ low-side MOSFET. The SCT2431, adopting the peak current mode control, supports the Pulse Skipping Modulation (PSM) with typical 25uA low quiescent current which assists the converter on achieving high efficiency at light load or standby condition.
The SCT2433 features internal soft start with 570kHz switching frequency. The converter allows power conversion from high input voltage to low output voltage with a minimum 100ns on-time of high-side MOSFET. It also supports Low Drop-Out LDO operation at low voltage difference from input to output condition.
The SCT2433 is an Electromagnetic Interference (EMI) friendly buck converter with implementing optimized design for EMI reduction. The SCT2433 features Frequency Spread Spectrum FSS with ±6% jittering span of the switching frequency and modulation rate 1/512 of switching frequency to reduce the conducted EMI.
The SCT2433 offers cycle-by-cycle current limit and hiccup over current protection, thermal shutdown protection, output over-voltage protection and input voltage under-voltage protection. The device is available in an 8-pin thermally enhanced SOP-8 package.









