High precision Operational Amplifier ,Replace LMV821
SGM8931
SGM8931.pdf
FEATURES
? Rail-to-Rail Output
? Low Noise: 30nV/ Hz
? Low Distortion
? Supply Voltage Range: 1.8V to 5.5V
? Low Input Offset Voltage: 0.9mV (MAX)
? Gain Bandwidth Product: 1.5MHz
? Slew Rate: 0.8V/μs
? Low Supply Current
80μA/Amplifier (TYP)
0.1μA Shutdown Current for SGM8933
? Small Packaging: SOT-23-5, SC70-5, SOIC-8 and MSOP-8
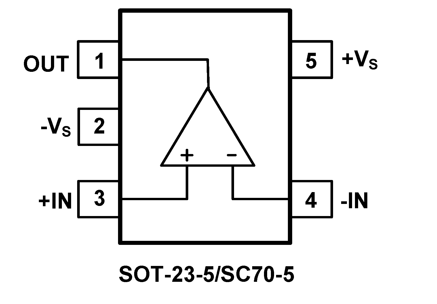
PIN CONFIGUTION
优势替代
FEATURES
? Guaranteed 2.5 V, 2.7 V and 5 V Performance
? Maximum VOS 3.5 mV (Guaranteed)
? VOS Temp. Drift 1 uV/° C
? GBW product @ 2.7 V 5 MHz
? ISupply @ 2.7 V 220 μA/Amplifier
? Minimum SR 1.4 V/us (Guaranteed)
? CMRR 90 dB
? PSRR 85 dB
? Rail-to-Rail (R-to-R) Output Swing
? VCM @ 5 V -0.3 V to 4.3 V
? Stable with High Capacitive Loads
PIN CONFIGUTION









