? Rail-to-Rail Input and Output
? Input Offset Voltage: 3mV (MAX)
? High Gain-Bandwidth Product: 3MHz
? High Slew Rate: 1.7V/μs
? Settling Time to 0.1% with 2V Step: 0.5μs
? Overload Recovery Time: 2.3μs
? Low Noise: 17.5nV/ Hz at 1kHz
? Supply Voltage Range: 2V to 5.5V
? Input Voltage Range: -0.1V to 5.6V with VS = 5.5V
? Low Supply Current:SGM8621/3: 270μA (TYP)
SGM8622/4: 210μA/Amplifier (TYP)
Less than 1μA Shutdown Current for SGM8623
? -40℃ to +125℃ Operating Temperature Range
? Small Packaging:
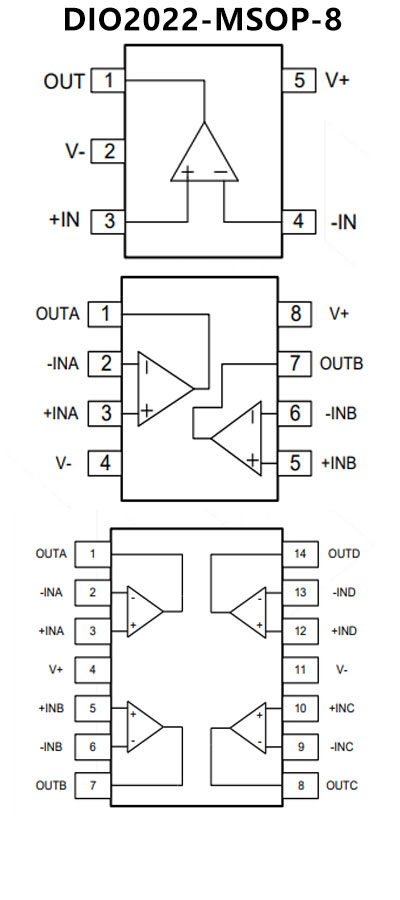
SGM8621 Available in Green SC70-5, SOT-23-5and SOIC-8
SGM8622 Available in Green MSOP-8 and SOIC-8
SGM8623 Available in Green SOT-23-6 and SOIC-8
SGM8624 Available in Green TSSOP-14 and SOIC-14
? Rail-to-Rail Input and Output
? ±1mV Typical offset (VOS)
? VOSMAX Specificity: ±4.9mV
? Low Distortion
? Gain Bandwidth Product: 3MHz
? Wide supply range: 2.5V to 5.5V
? 190?A/Amplifier typical supply current
? Slew rate: 1.7V/?s
? Small size packaging best for portableapplications.
? DIO2021: Available in SOT23-5DIO2022:
Available in SOIC-8DIO2024:
Available in SOIC-14 and TSSOP-14









