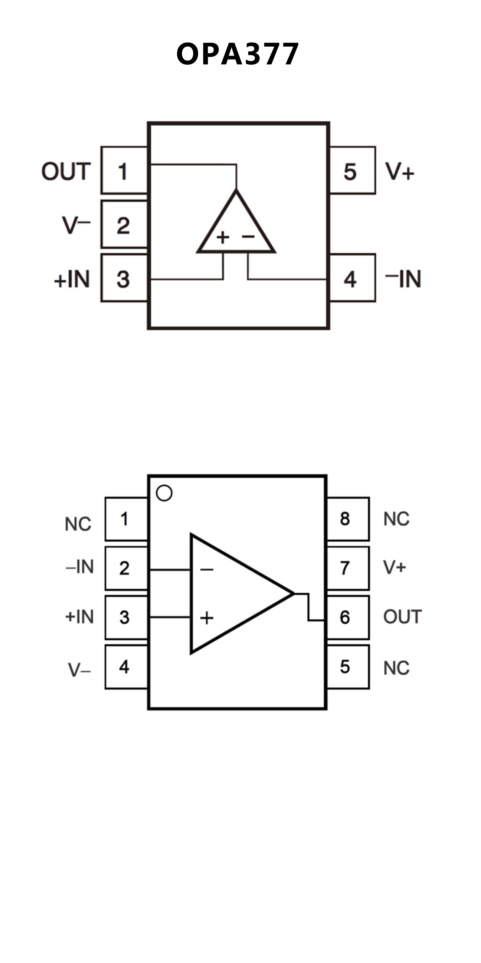
High Precision Operational Amplifier, Replace OPA377
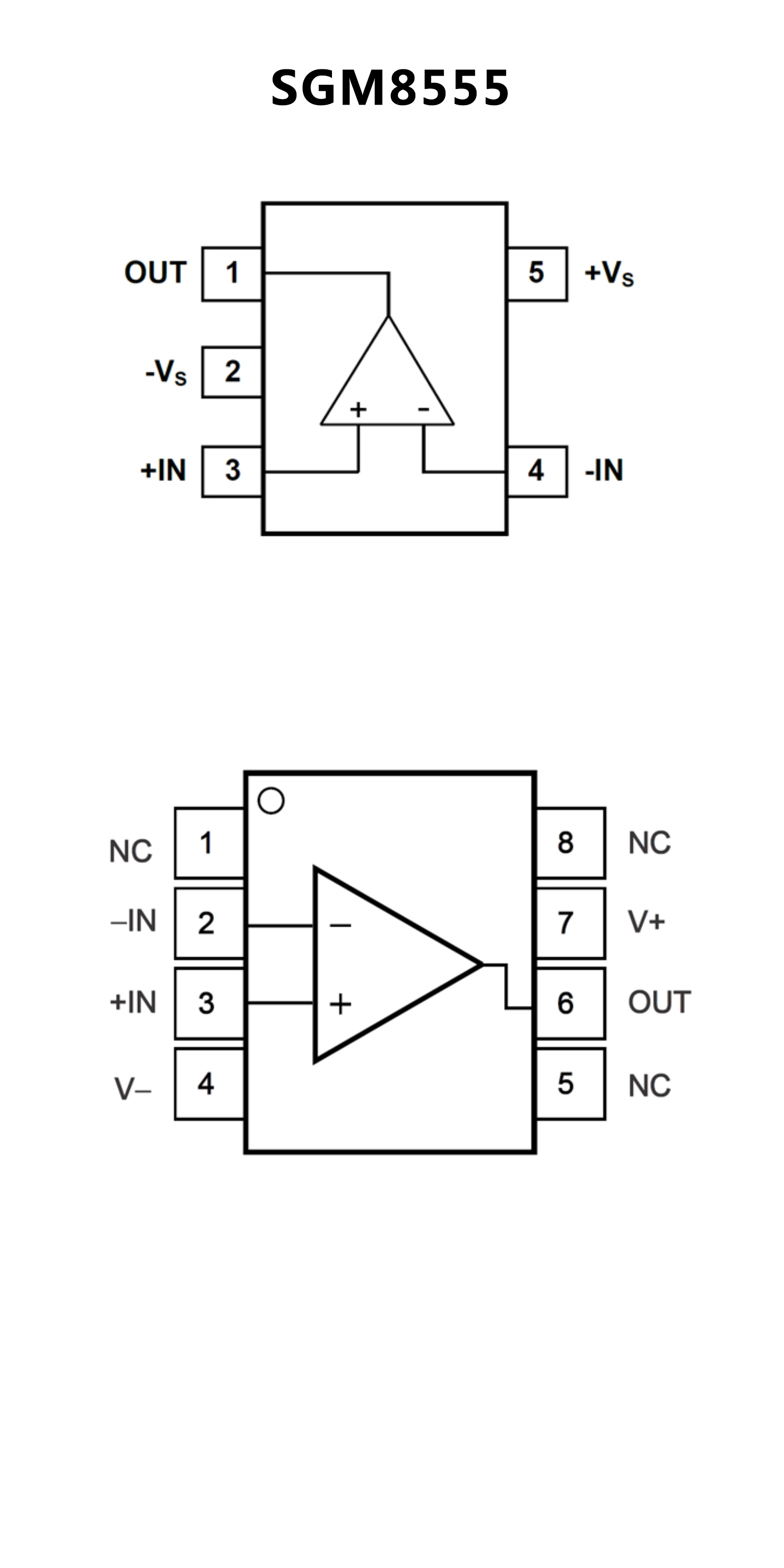
SGM8555
SGM8555.pdf
FEATURES
? Low Offset Voltage: 90μV (MAX)
? Low Noise density: 21nV/ Hz at 1kHz
? Low Voltage Noise: 0.6μVP-P at 0.1Hz to 10Hz
? 3.5MHz GBP
? Slew Rate is 3V/μs
? Rail-to-Rail Input and Output Swing
? 2.5V to 5.5V Single Supply Operation
? Voltage Gain: 133dB (TYP) at +5V
? High PSRR: 96dB (TYP)
? High CMRR: 98dB (TYP)
? Ultra Low Input Bias Current: 30pA
? Low Supply Current: 950μA/Amplifier (TYP)
? Overload Recovery Time: 40μs (at VS = +5V)
PIN CONFIGUTION
优势替代
FEATURES
? GAIN BANDWIDTH PRODUCT: 5.5MHz
? LOW NOISE: 7.5nV/√Hz at 1kHz
? OFFSET VOLTAGE: 1mV (ma
? INPUT BIAS CURRENT: 0.2pA
? RAIL-TO-RAIL OUTPUT
? UNITY-GAIN STABLE
? EMI INPUT FILTERING
? QUIESCENT CURRENT: 0.76mA/ch
? SUPPLY VOLTAGE: 2.2V to 5.5V
PIN CONFIGUTION









