Micro Power operational Amplifier, SGM8541 Replace AD8541.
SGM8541
SGM8541.pdf
FEATURES
· Low Cost
· Rail-to-Rail Input and Output
-0.8mV Typical VOS
· Unity Gain Stable
· Gain-Bandwidth Product: 1.1MHz
· Very Low Input Bias Current: 0.5pA
· Supply Voltage Range: 2.1V to 5.5V
· Input Voltage Range:
- -0.1V to +5.6V with VS = 5.5V
· Low Supply Current: 46μA/Amplifier
· Small Packaging
- SOIC-8, SC70-5 and SOT-23-5
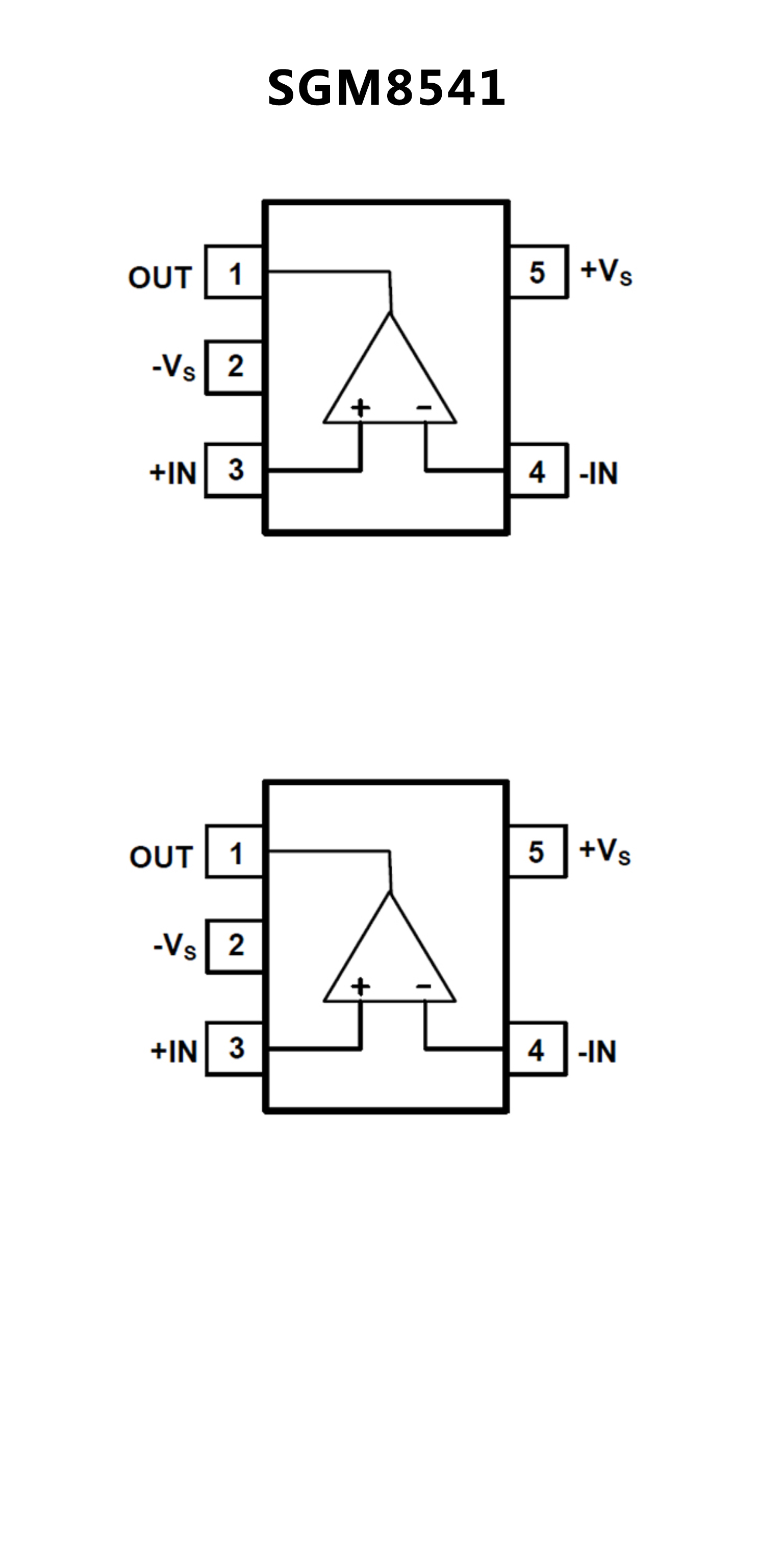
PIN CONFIGUTION
优势替代
FEATURES
· Single-Supply Operation: 2.7 V to 5.5 V
· Low Supply Current: 45 A/Amplifier
· Wide Bandwidth: 1 MHz
· No Phase Reversal
· Low Input Currents: 4 pA
· Unity Gain Stable
· Rail-to-Rail Input and Output
PIN CONFIGUTION









