? Low Cost
? Rail-to-Rail Output
? 2mV Typical VOS
? High Speed
250MHz, -3dB Bandwidth (G = +1)
130V/μs, Slew Rate
58ns Settling Time to 0.1% with 2V Step
? Supply Voltage Range: 2.5V to 5.5V
? Input Voltage Range: -0.2V to +3.8V with VS = 5V
? Excellent Video Specs (RL = 150Ω, G = +2)
Gain Flatness 0.1dB to 37MHz
Diff Gain: 0.03%, Diff Phase: 0.08 Degree
? Low Supply Current 2.3mA/Amplifier (TYP)
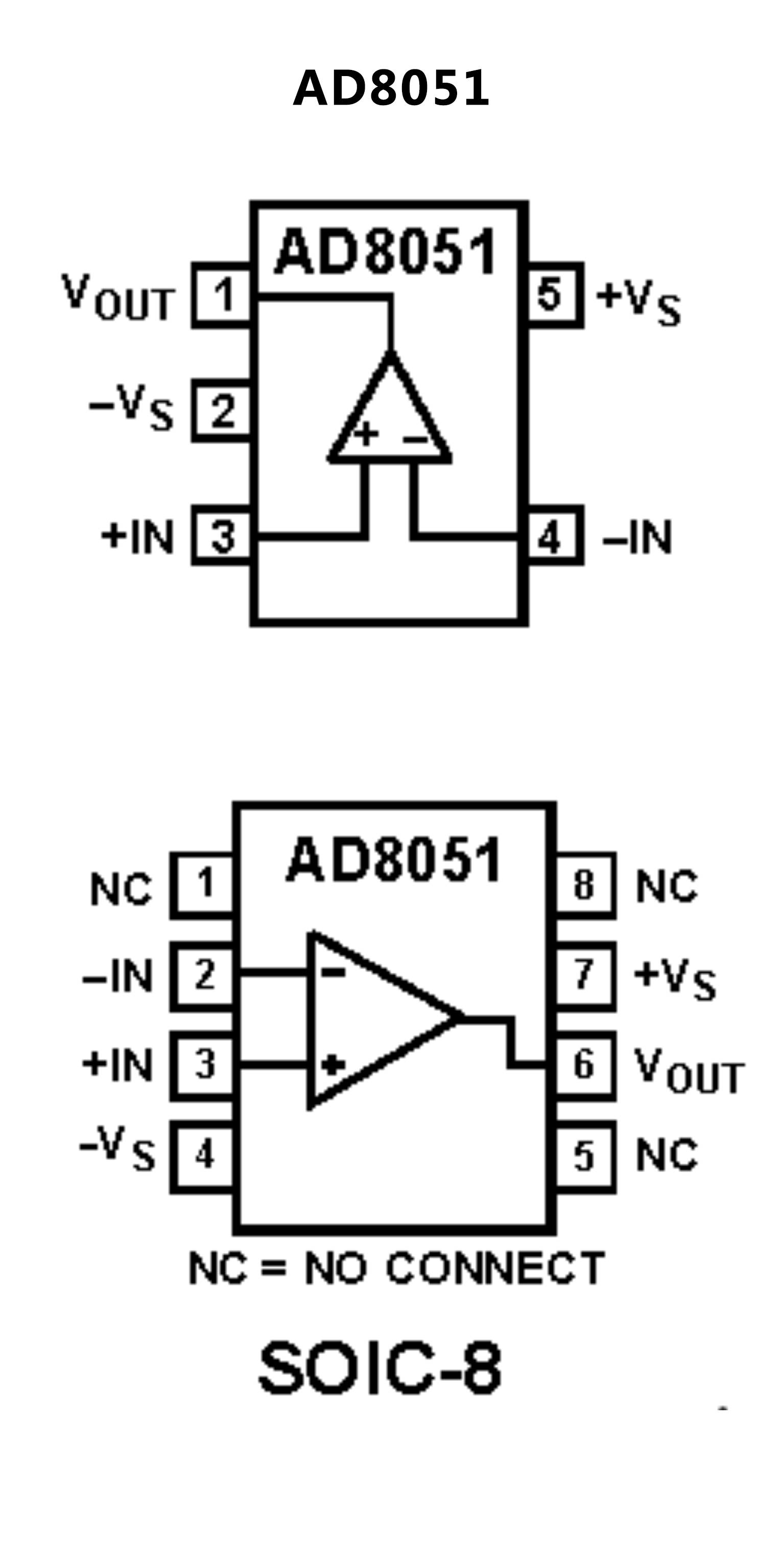
? Small Packaging Available in SOT-23-5 and SOIC-8
? High speed and fast settling on 5 V
110 MHz, ?3 dB bandwidth (G = +1) (AD8051/AD8052)
150 MHz, ?3 dB bandwidth (G = +1) (AD8054)
145 V/μs slew rate
50 ns settling time to 0.1%
? Single-supply operation
Output swings to within 25 mV of either rail
Input voltage range: ?0.2 V to +4 V; VS = 5 V
? Video specifications (G = +2)
0.1 dB gain flatness: 20 MHz; RL = 150 Ω
Differential gain/phase: 0.03%/0.03°
? Low distortion
?80 dBc total harmonic @ 1 MHz, RL = 100Ω
? Low power: 4.4 mA/amplifier (AD8051/AD8052)









